Product Description
Industry Recommendations Snowmobile sanitation truck accessories High power BMS-160 OMS160 Cycloidal hydraulic motor
INTRODUCTION
OMS / BMS Hydraulic Motor is one of type of high torque low speed hydraulic motors, with high efficiency and long life. BMS motor has a wide Speed range, high starting torque and rotating stable at high speed Compact and light, it can be connected to working machine directly, adapted to all kinds of low speed heavy load facilities.
The Options of BMS-OMS hydraulic motors:
- Model - Disc valve, roll-gerotor;
- Flange and wheel mount;
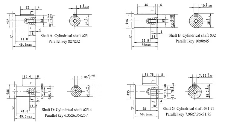
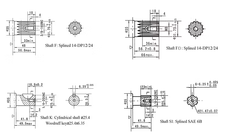
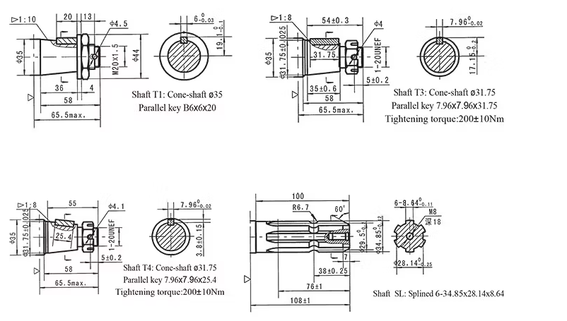
- Shafts - straight, splined and tapered;
- Metric/UNC and BSPP ports;
-Side and rear ports
- Color-Blue, grey ,black ,yellow ;
Main Specifications:
| Type | BMS BMSE 80 |
BMS BMSE 100 |
BMS BMSE 125 |
BMS BMSE 160 |
BMS BMSE 200 |
BMS BMSE 250 |
BMS BMSE 315 |
BMS BMSE 375 |
|
| Geometric displacement (cm3 /rev.) |
80.6 | 100.8 | 125 | 157.2 | 200 | 252 | 314.5 | 370 | |
| Max. speed (rpm) | cont. | 800 | 748 | 600 | 470 | 375 | 300 | 240 | 200 |
| int. | 988 | 900 | 720 | 560 | 450 | 360 | 280 | 240 | |
| Max. torque (N·m) | cont. | 190 | 240 | 310 | 316 | 400 | 450 | 560 | 536 |
| int. | 240 | 300 | 370 | 430 | 466 | 540 | 658 | 645 | |
| peak | 260 | 320 | 400 | 472 | 650 | 690 | 740 | 751 | |
| Max. output (kW) | cont. | 15.9 | 18.8 | 19.5 | 15.6 | 15.7 | 14.1 | 14.1 | 11.8 |
| int. | 20.1 | 23.5 | 23.2 | 21.2 | 18.3 | 17 | 18.9 | 17 | |
| Max. pressure drop (MPa) | cont. | 17.5 | 17.5 | 17.5 | 15 | 14 | 12.5 | 12 | 10 |
| int. | 21 | 21 | 21 | 21 | 16 | 16 | 14 | 12 | |
| peak | 22.5 | 22.5 | 22.5 | 22.5 | 22.5 | 20 | 18.5 | 14 | |
| Max. flow (L/min) | cont. | 65 | 75 | 75 | 75 | 75 | 75 | 75 | 75 |
| int. | 80 | 90 | 90 | 90 | 90 | 90 | 90 | 90 | |
| Max. inlet pressure (MPa) | cont. | 25 | 25 | 25 | 25 | 25 | 25 | 25 | 25 |
| int. | 30 | 30 | 30 | 30 | 30 | 30 | 30 | 30 | |
| Weight (kg) | 9.8 | 10 | 10.3 | 10.7 | 11.1 | 11.6 | 12.3 | 12.6 | |
* Continuous pressure :Max. value of operating motor continuously.
* Intermittent pressure :Max. value of operating motor in 6 seconds per minute.
* Peak pressure:Max. value of operating motor in 0.6 second per minute.



